How to implement a dry-contact 3-way switch with OpenHAB

Hi,

I’ve had some good mileage on OpenHAB - I have now connected all my lights, shutters, lawn mower, vacuum cleaner, receiver, alarm system, TV, and soon my doorbell to the system. I have a ventilation unit in my house from 2008, and I now wish to also make that one connected, such that it can automatically move to the highest suction level when a sensor detects a higher humidity in my bathroom.

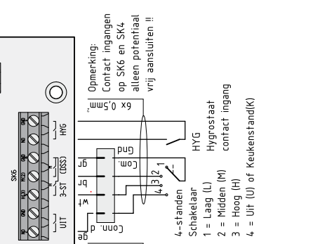
Looking at the circuit board, it is possible to switch the suction level of the ventilation unit by closing some dry contacts:

It’s basically saying that open is Low, br is Medium, wt is High and ge is Off. It’s also saying this needs to be a dry contact switch. Since I recently added Z-Wave to my setup, I was looking for Z-wave dry contact switches. All I have found from Fibaro, Aeotec and Zipato are “real” switches, in that they have current flowing through and mostly just switch on/off. What possibilities do you see for me to implement this 3-way dry contact switching behaviour in the most elegant way?

You will need at least one relay to switch between 1 and 3, you could even use two of them to switch between all 4 steps:


Maybe it’s also possible to do this with optocouplers, but you have to check the current, voltage, if ac or dc and so on. In the end, you need to switch either the two relays or the four optocouplers. It should be easy to implement this switching with an arduino or some GPIOs at a Raspberry, though a Raspberry only to switch two relays would be a little bit over engineered :slight_smile: but maybe there is one near the ventilation unit…

EDIT: Just saw it now, I did the wrong numbering… should be 4-3-2-1, not 1-2-3-4… :wink:

1 Like

How would you go about this if the solution would have to communicate wirelessly to my openhab setup downstairs? The ventilation unit is in the attic :slight_smile:

I think the following devices can be used (i.e. support dry contacts):

http://manuals.fibaro.com/relay-switch/